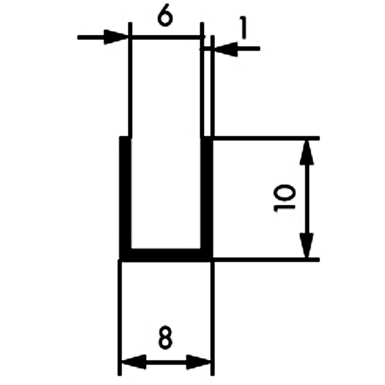
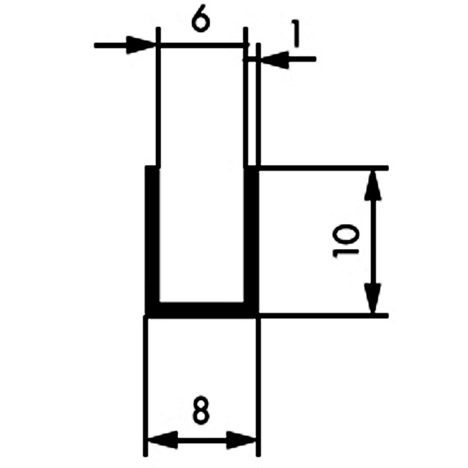
U-Profil

Artikel-Nr.: EM105-15
Meterware
Mass 10mm x 8mm
Warenkorb